טייפ עגול סוג CT
MR-42 הוא טווח של הקלטות עגולות-בדיוק גבוה מסוג CT לשימוש במדידה. נבנה עם ליבות ברזל סיליקון מובחרות מבודדות בפוליפרופילן, הפיתול המשני מפותל בצורה מדויקת- במכונה. שכבות פוליאסטר ו-PVC מרובות מספקות ציפוי קשיח ועמיד בפני לחות. אידיאלי עבור יישומים אמינים ומדויקים, שנאי Class 0.5 אלה מציעים חיי שירות ארוכים. רגלי הרכבה אופציונליות זמינות.
תיאור
סוג הקלטת עגול שנאי זרם
שנאי זרם מסוג טייפ עגול (CT) הוא חיישן זרם טורואידי המאופיין בליבה המעגלית שלו ובסרט בידוד מפותל באופן אחיד, המציע הגנה מכנית חזקה ובידוד חשמלי משופר. CTs אלו נמצאים בשימוש נרחב למדידת זרם מדויקת וניטור במערכות חשמל שונות.
תכונות עיקריות:
1. עיצוב ליבה מעגלית
נבנה עם פלדת סיליקון בדרגה גבוהה- או ליבות ננו-גבישיות להפסדים נמוכים וחדירות מגנטית גבוהה.
צורה טורואידית אחידה מבטיחה חלוקת שטף מגנטי מאוזנת, ומשפרת את הדיוק.
2.טיפינג בידוד
שכבות מרובות של פוליאסטר, PVC או סרט מרוכב כרוכות בחוזקה סביב הליבה, ומספקות עמידות בפני לחות, עמידות מכנית ובידוד חשמלי.
מתאים לסביבות קשות (למשל, לחות, אבק, חשיפה כימית).
3. דיוק סלילה
פיתולים משניים מפותלים במכונה-עם מרווח אחיד כדי למזער את שטף הדליפה ולהבטיח ביצועים עקביים.
4. דיוק גבוה
בדרך כלל עומד בתקני דיוק Class 0.5, 0.5S או 0.2 ליישומי מדידה ומדידה.
5. קומפקטי וקל משקל
אידיאלי עבור התקנות מוגבלות-במקום (לדוגמה, מתג, לוחות הפצה).
6. התקנה גמישה
זמין בעיצובי ליבה מוצקה-או מפוצלת-; רגלי/תושבות הרכבה אופציונליות לקיבוע קל.
יישומים נפוצים:
מערכות מדידת אנרגיה וחיוב
ניטור איכות החשמל
מעגלי הגנת ממסר ובקרה
אוטומציה תעשייתית (למשל, ניטור זרם מנוע)
מערכות אנרגיה מתחדשת (שילוב רשתות סולאריות/חוות רוח)
יתרונות על פני CT אחרים:
- עמידות: בידוד מודבק מציע עמידות טובה יותר ללחץ סביבתי לעומת ליבות חשופות או מצופות שרף-.
- עלות-חסכונית: תהליך ייצור פשוט מפחית את עלויות הייצור.
- יכולת הסתגלות: תואם לתצורות מוליכים ראשיים מגוונות (כבלים, פסים).
סוג זה של CT מאזן בין ביצועים, אמינות וחסכון, מה שהופך אותו לבחירה פופולרית עבור יישומים שירותים ותעשייתיים שבהם דיוק ואריכות ימים הם קריטיים.
סדרת MR-42: טייפ עגול בדיוק גבוה מסוג CT למדידה חשמלית
הקלטות עגולות מסדרת MR-42 מסוג CT מייצגות קו של-דיוק ו-שנאי זרם מפותלים בקלטת עגול גבוהה, שהונדסו ליישומי מדידה חשמלית מדויקת. בנויה עם ליבות ברזל סיליקון בדרגה גבוהה המבטיחות תכונות מגנטיות מצוינות, כל ליבה מבודדת במלואה ומוגנת בתוך בית פוליפרופילן. הפיתול המשני מיושם באמצעות ציוד ליפוף דיוק אוטומטי, המבטיח עקביות וביצועים חשמליים אופטימליים.
כדי להבטיח עמידות בסביבות תובעניות, השנאי עטוף בשכבות הגנה מרובות של פוליאסטר ו-PVC, מה שיוצר מחסום חזק ועמיד בפני רטיבות המגן מפני לחות, אבק וחשיפה כימית. עיצוב זה הופך את ה-MR-42 למתאים להתקנות פנימיות וחיצוניות כאחד.
מוצר זה מאושר לדיוק Class 0.5, ואידיאלי לשימוש במערכות מדידת אנרגיה, ניטור הספק ובקרה שבהן שלמות המדידה היא קריטית. הסדרה נועדה לספק אמינות-לטווח ארוך וחיי שירות ארוכים. לגמישות בהתקנה, רגלי הרכבה אופציונליות זמינות כדי להקל על הרכבה מאובטחת בתצורות שונות.
פרמטרים
|
דֶגֶם |
יַחַס (A) |
נטל (VA) |
|
|
כיתה:0.5 |
מחלקה: 1.0 |
||
|
MR-42 |
100/5 |
1.5 |
2.5 |
|
MR-42 |
150/5 |
1.5 |
2.5 |
|
MR-42 |
200/5 |
2.5 |
5 |
|
MR-42 |
250/5 |
3.75 |
5 |
|
MR-42 |
300/5 |
3.75 |
5 |
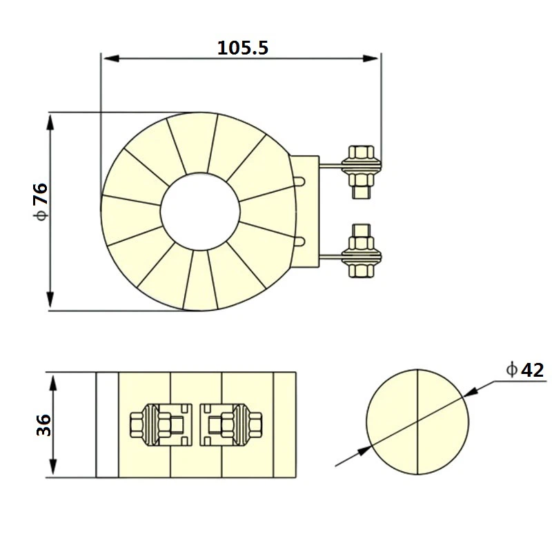
מימד (מ"מ)

תגיות פופולריות: סוג הקלטת עגול ct, סין סוג הקלטת עגול ct יצרנים, ספקים, מפעל
שלח החקירה
אולי גם תרצה











